

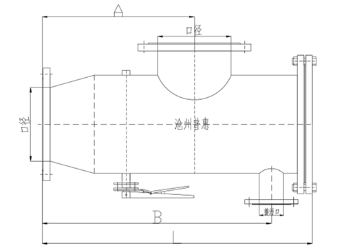
KC型除污器是用于以水或油这样的液体为介质的管道上,用于除污去流动介质的里杂质。除污,操作使用简单,使用寿命长,安装方便,成本不高,适应性强等特点。除污器通过拦截杂质,除去管道里的杂质。排污、清洗很方便,支持在线排污、清洗。



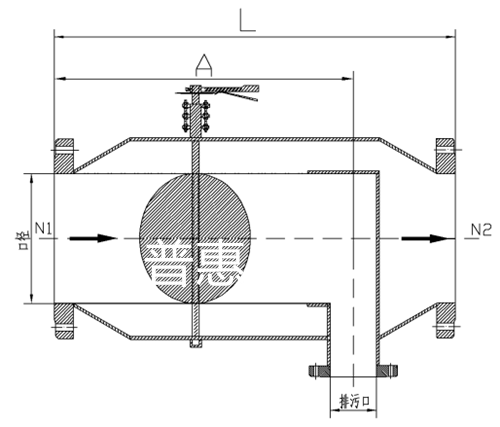
KC型除污器采用了的设计原理,从而具有运行阻力小,管路系统不停机排污及无需设置旁通管路的特点,KC型除污器有着同类产品没有的优点。除污器工作时,蝶阀阀板处于全开状态,介质由进口入滤网内侧,经网眼过滤后进入滤网外侧,由出口离开除污器进入管路系统,除污器排污时,蝶阀阀板处于关闭状态.排污管外阀门打开,由于除污器内介质与排污管外产生压差,介质流向改变,由滤网外侧流入内侧,起反冲作用,将杂质和污物排出。排污过程中,大部分介质仍由出口进入管路系统,系统不停机。
公称压力:1.0MPa-1.6MPa-2.5MPa。
介质温度:0-150度。
适用介质:水、油品、蒸汽、海水、污水。
规格口径:40到1200mm。
壳体材质:碳钢或不锈钢。
连接形式:法兰。
1、KC型除污器直接安装在产品管道上,不需任何支撑结构,一般靠近被保护的设备前。2、冲洗可分两阶段进行。一是清洗排污阶段,打开排污阀约30秒的时间,根据管内杂质情况定,让杂质从排污口排出;二是反冲洗阶段,排污阀仍打开,开启水流转向阀约30秒,将粘附在过滤网上的留物反冲洗排出。
3、该KC型除污器设备无易损件,只定期根据水质进行排污即可。普惠生产供应商免费提供安装方案.用心服务客户。



其他口径除污器直通型外形尺寸,总长度尺寸:DN40长度260mm;DN50长度280mm;DN65长度270mm;DN80长度320mm。
![]() |

KC型除污器通常是水平安装,安装在管道上不需要任何其它支撑,排污口向下向地面,设置对应排污管道。上图片中左图是换热站除污器安装图中,可以看出这个除污器选择了垂直安装,但是注意的流水方向,设置了排污管道。并给转向阀把手留足了,操作空间,方便排污时,转向阀的操作。
普惠除污器、,免费提供设计,安装方案。期待您的来电:0317-8294124。普惠除污器系列产品还有:河北立式直通除污器,旋流除污器。